您好!欢迎光临常州布拉迪智能科技有限公司的官网

常州布拉迪智能科技

Changzhou Brati Intelligent Technology Co., Ltd

咨询电话

400-800-5978

产品分类

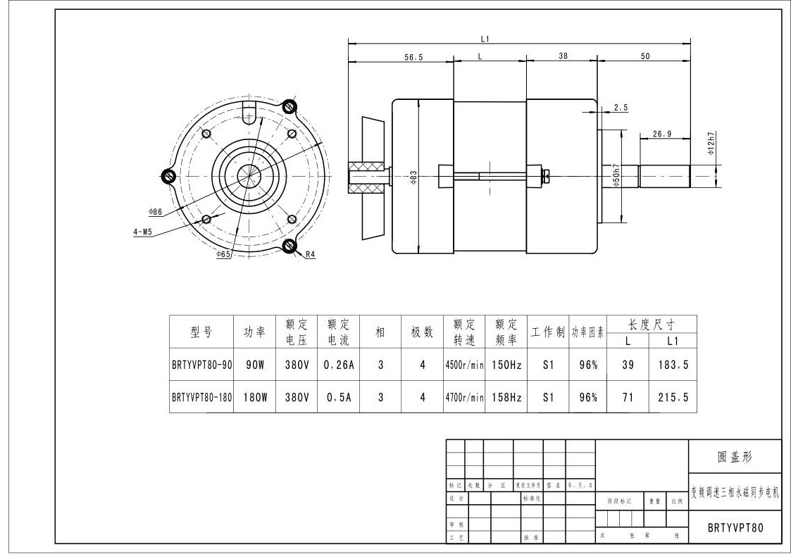
180W络筒机电机

当前位置:首页 - 180W络筒机电机

180W络筒机电机

cccccccccccccccccccccc

    永磁同步变频电动机供货商

    45KW永磁变频同步电机

   

    永磁同步变频电动机供货商

    135W加弹机电机

    永磁同步变频电动机供货商

    180W络筒机电机

    永磁同步变频电动机供货商

   



永磁同步变频电动机具有结构简单,体积小、效率高、功率因数高等优点。目前,永磁同步电动机已经在冶金行业(炼铁厂和烧结厂等)、陶瓷行业(球磨机)、橡胶行业(密炼机)、石油行业(抽油机)、纺织行业(倍捻机、细纱机)等行业的中、低压电动机中获得业绩,并逐步积累设计和运行经验。

返回